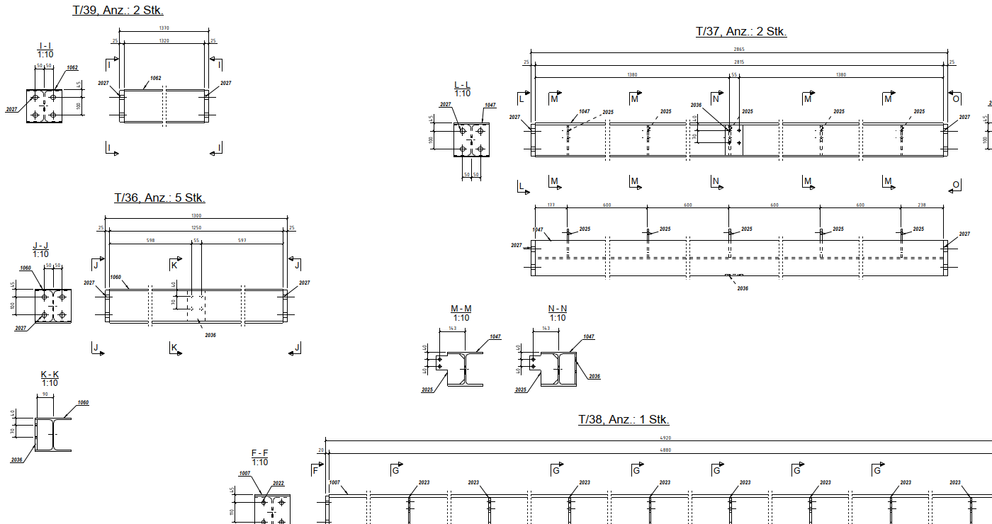
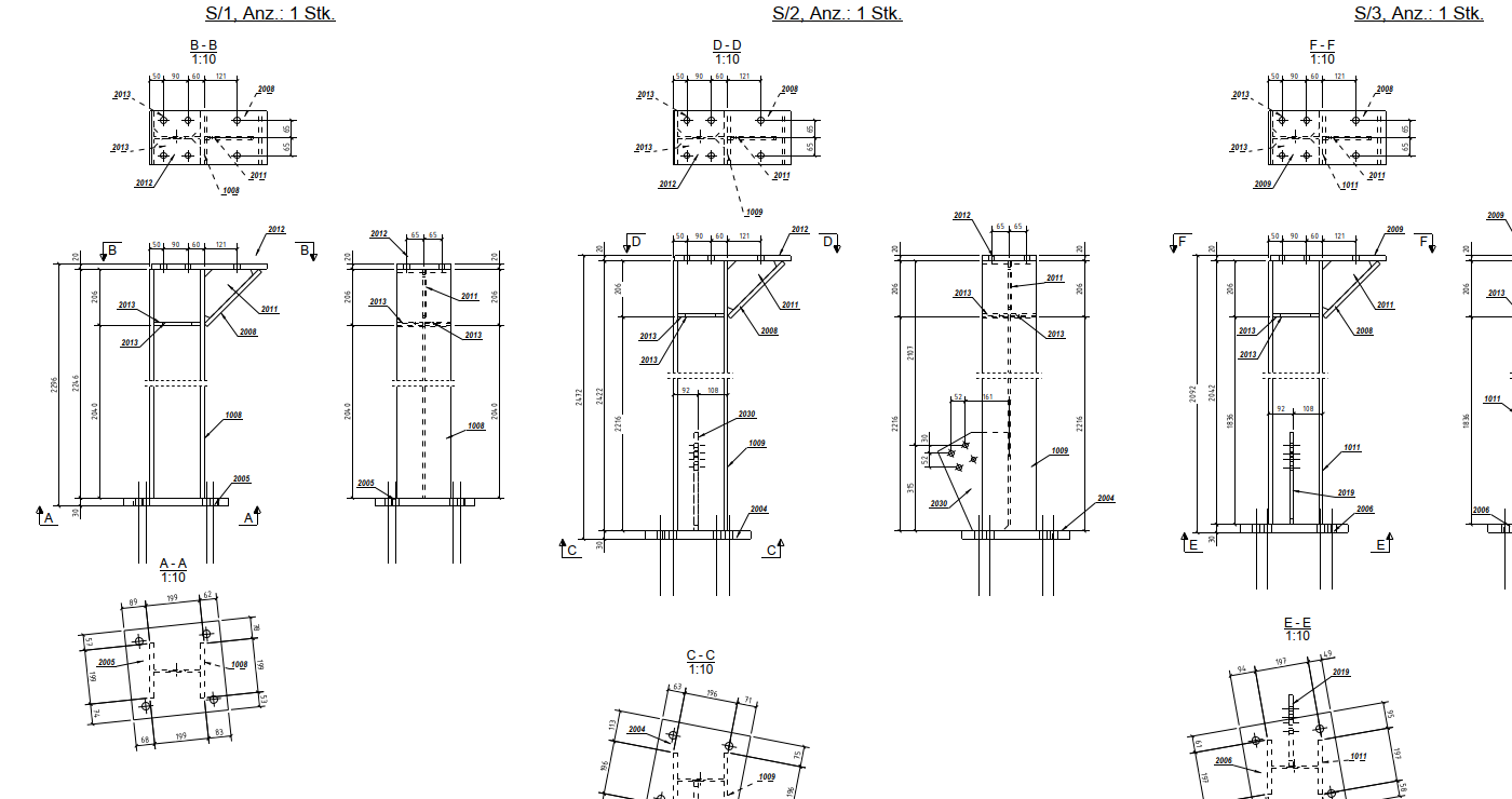
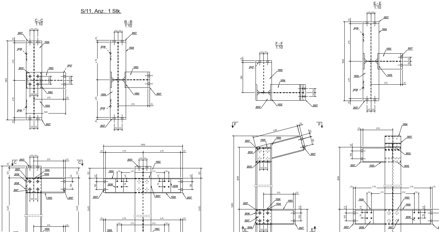
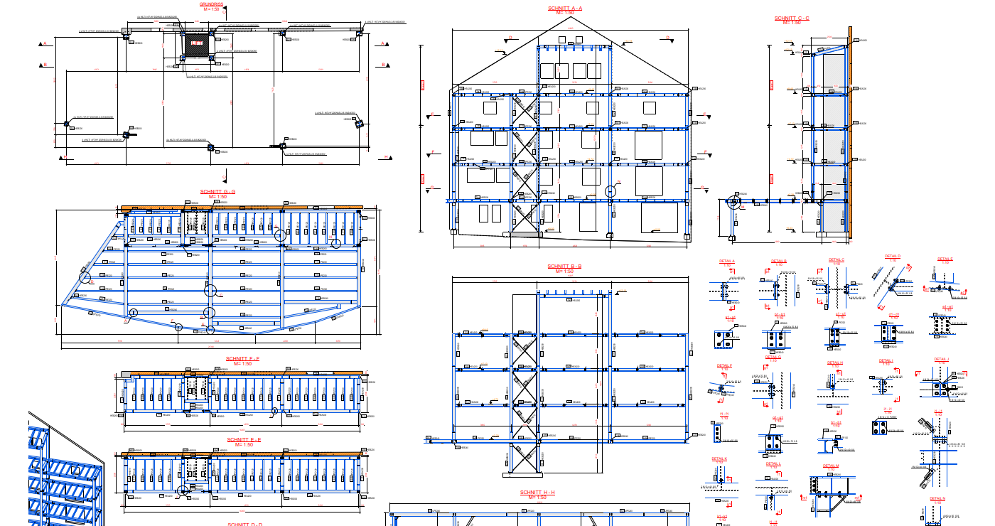
Überdachung Parkplatz+Balkone

Neben einem bestehenden Altbau haben wir einen neuen Carport mit Balkonen geplant. Zudem haben wir die statische Berechnung durchgeführt und die Stahl-Werkstattpläne erstellt.

Jahr:

2021

Standort:

Muldain, GR

Auftraggeber:

HMQ AG